|
|||||
|
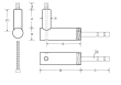
Halliday Baillie HB 528 SS
Stair Rail Bracket to Match HB 526 SS in Stainless SteelHalliday Ballie HB 528 SS Stair Rail Bracket to Match HB 526 SS in Stainless SteelThe Halliday + Baillie HB 527 has been designed to match its counterpart, the HB 525 with wiring capacity. Includes all fasteners including anchor for masonry and wood framed plasterboard walls. Epoxy not included. Material: 316 marine grade stainless steel only. No other finishes available. Suitable for: Interior or exterior use. Minimum suggested spacing: 600mm (23.62") Maximum suggested spacing: 800mm (31.50"). starting at $435.00 purchase Options |
|||||
our showroom customer service shipping info testimonials door handing & glossary contact us privacy policy











